• Наличие
    В наличии
Цена по запросу

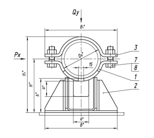
Опоры ТПР.08.38.00.000 предназначены для надежного крепления и поддержания трубопроводов различных систем, обеспечивая их стабильность и компенсацию температурных расширений. Широко применяются в промышленном и гражданском строительстве.

Конструкция опор гарантирует долговечность и устойчивость к нагрузкам, защищая трубопроводы от вибраций и деформаций. Это ключевой элемент для безопасной и бесперебойной эксплуатации магистралей.

Изделия отличаются высоким качеством изготовления и соответствием техническим нормативам. Доступны различные варианты исполнения с наружным диаметром (Dн) 114, 168, 219, 273 и 325 мм, а также массой от 11,4 до 35,78 кг.

Мы предлагаем полный модельный ряд марок, включая ТПР.08.38.00.000-01...-14. Для юридических лиц доступен безналичный расчет, онлайн-заказ и оперативная доставка по всей Беларуси.

Отзывов: 0

Нет отзывов об этом товаре.

Вопросов: 0

Пока нет вопросов об этом товаре. Станьте первым!