• Наличие
    В наличии
Цена по запросу

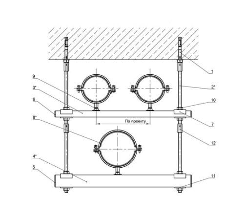
Крепление нескольких трубопроводов к перекрытию предназначено для надежной фиксации и группового монтажа инженерных коммуникаций в промышленных и гражданских зданиях. Конструкция обеспечивает строгое позиционирование труб, предотвращает их смещение и вибрацию.

Использование данных креплений позволяет оптимизировать прокладку трубопроводов, сократить время монтажа и повысить безопасность эксплуатации систем. Изделия рассчитаны на значительные нагрузки и длительный срок службы.

Продукция отличается высоким качеством изготовления и соответствует требованиям нормативной документации. Доступны различные варианты исполнения с массой от 25,1 до 40,5 кг для труб диаметром от 18 до 157 мм, включая популярные размеры 32, 57, 76, 89, 108, 133.

Мы предлагаем широкую вариативность выбора по маркировке (0312.41.00.000, 0312.42.00.000 и их модификации) и техническим параметрам. Оформите онлайн-заказ для получения коммерческого предложения.

Отзывов: 0

Нет отзывов об этом товаре.

Вопросов: 0

Пока нет вопросов об этом товаре. Станьте первым!