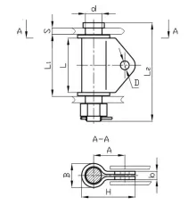
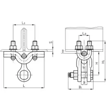
Узлы крепления – это ответственные элементы, предназначенные для надежного соединения несущих конструкций, монтажа инженерных систем и оборудования в промышленном и гражданском строительстве. Они обеспечивают прочность, устойчивость и долговечность объектов.
Использование качественных узлов крепления позволяет значительно ускорить процесс монтажа, повысить безопасность сооружений и гарантировать их соответствие проектным требованиям. Это проверенное решение для профессионалов.
Мы предлагаем сертифицированные узлы крепления, изготовленные в строгом соответствии с ГОСТ. Продукция обладает высокой коррозионной стойкостью, выдерживает значительные нагрузки и суровые эксплуатационные условия.
В ассортименте представлены все основные типы: КГ, КГН, КГП, КГТ-7-1. Это позволяет подобрать оптимальное решение для любой технической задачи. Получите коммерческое предложение для вашей компании.
